资源利用
十八款禁用看尿口入口 | 包钢(集团)公司新体系2250轧钢变频十八款禁用看尿口入口案例
来源: 十八款禁用看尿口入口 时间:2021-11-22

包钢(集团)公司新体系2250轧钢区QD100/32-27.5m双梁起重机十八款禁用看尿口入口由十八款禁用看尿口入口承接。

包钢(集团)公司

【包钢(集团)公司】

包钢(集团)公司全称为包头钢铁(集团)有限责任公司,位于内蒙古自治区包头市,是中华人民共和国成立后建设的钢铁工业基地之一,我国大型钢铁生产基地和全国稀土生产科研基地,也是内蒙古自治区重要的支柱企业。

双梁起重机

【双梁起重机】

十八款禁用看尿口入口为包钢集团轧钢区的QD100/32-27.5m双梁起重机配置了十八款禁用看尿口入口十八款禁用看尿口入口就是对电气系统的控制管理,包括对电气设备的监控、对系统故障的检查分析、对电气系统的保护等,对于机械设备来说非常重要,是机械设备的灵魂,可应用于各行各业。

双梁起重机的十八款禁用看尿口入口主要分为两个部分,一个是起升部分,一个是提升部分和小车运行部分,只要可以盐城系统的使用寿命,减少箱梁两端的损坏,该系统主要运用PLC进行控制,PLC能够收集系统信息,在发现故障时立即报警、停止机器的运行、辅助故障查找、避免故障的扩大。

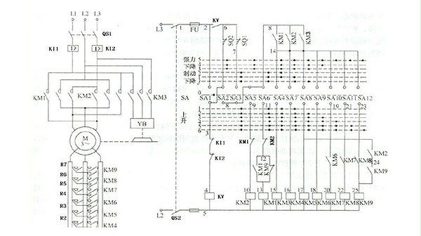
起重机十八款禁用看尿口入口

【起重机十八款禁用看尿口入口电路图】

十八款禁用看尿口入口是专门从事智能化配电、自动化控制、信息化管理等产品和系统研发、设计、制作、服务为一体的科技型企业。

尤其在智慧泵站、空调集中控制、污水处理等领域有着丰富的研究成果和应用经验,并开发有智慧泵站远程控制系统空调集中监控系统污水处理厂自动化控制系统恒温恒湿自动控制系统,参与多项国家重点工程建设,获得多项发明专利及软件著权。