节能环保
十八款禁用看尿口入口 | 许昌妇幼保健院暨市儿童医院手术室净化空调控制系统案例
来源: 十八款禁用看尿口入口 时间:2021-05-31

许昌妇幼保健院暨市儿童医院手术室净化空调控制系统项目由十八款禁用看尿口入口承接。

许昌妇幼保健院暨市儿童医院

许昌妇幼保健院暨市儿童医院整体搬迁项目中,十八款禁用看尿口入口承接其配电系统及净化空调控制系统,包括中心实验室净化工程、消毒供应中心、计生与门诊手术中心净化工程、产房净化工程、手术部净化工程、 NICU净化工程。

系统特点:

1、空调远程管控、智能锁定:支持远程开关、设置温度、调节风速、调节空调模式,可通过手机APP、Web端管理界面对空调面板进行统一管理,支持modbus RTU通讯协议,与手术室面板通讯;

2、空调联动调节,自动控制温湿度:可以检测到包括温度、湿度、光照强度、空气质量等各个方面的环境参数,还可以和相应设备联动,对室内环境进行调节。比如,环境传感器检测到某个空间的温度过高,便可以和空调联动来智能调节整个空间的温度;

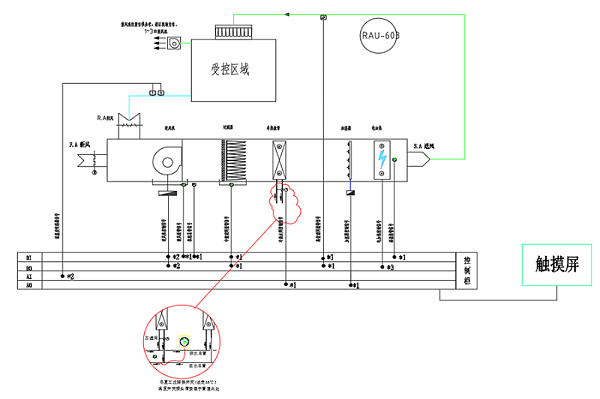
医院手术室净化空调控制系统结构图

3、用电能耗分析:提供多样化的数据统计分析功能。用电系统能耗统计排行、趋势走势、每日耗电量统计等,用电能耗后台智能分析,辅助管理人员进行节能减排策略;

4、用电安全保障:可设定功率限额,超出限额则蜂鸣器进行报警;

净化空调控制系统可实现温湿度、风量、压差梯度的自动调节及各种安全保护、联锁、节能运行等控制功能;以很大限度保持手术室及病房接近无菌环境,较少创伤感染,为医护人员及病人创造较佳的洁净环境。

应用范围:

净化空调控制系统广泛应用于医院洁净手术室、ICU、NICU、产科净化病房、负压隔离病房、负压检验室、负压手术室等,医院净化空调控制领域。